
You can find out more Diagram below
Wiring Diagram 1996 Dodge Ram 1500 Door Locks Wiring Diagram
Power Window Wiring Diagram Ford F150 Supercellule Fr
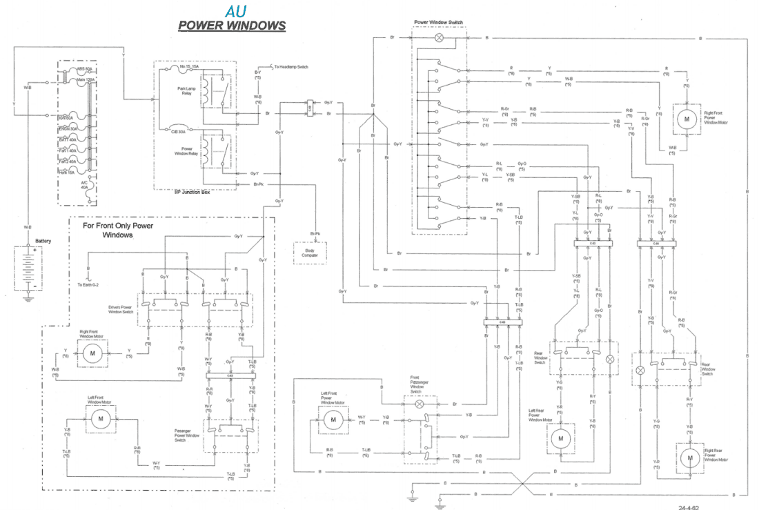
Ford Falcon Au Power Windows Wiring Diagram Pictures Images
Ford Freestyle Wiring Diagram
Roger Vivi Ersaks
99 Chevy Wiring Diagram Wiring Diagram
2003 Ford Ranger Power Window Wiring Diagram Explorer
Roger Vivi Ersaks 2004 Ford F150 Power Window Wiring Diagram
2000 Ford Explorer Window Wiring Diagram
Ford F 350 Super Duty Questions Power Window Fuse Relay
Power Window Wiring Diagram 2000 Expedition Ford
2000 Ford Windstar Power Windows Wiring Diagram
02 Excursion Window Problem Fordforumsonline Com
2000 Ford Explorer Window Wiring Diagram
Power Windows Not Working I Just Purchased A 2002 Ford
0 comments:
Post a Comment